D943H Electric Metal Hard Seal Butterfly Valve
Product overview
Product model: D943H
Nominal diameter: DN50 ~ 2000mm
Nominal pressure: PN0.6~2.5MPa
Drive mode: worm gear drive, electric, pneumatic, hydraulic
Manufacturing standard: JB/T 8527-97
Flange standard: GB9113-2000
Structure length standard: GB12221-89
Inspection standard: GB/T 13927-92
D943H Electric Metal Hard Seal Butterfly Valve technical parameter
|
|
50~2000 |
|||
|
Nominal pressurePN(MPa) |
0.6 |
1.0 |
1.6 |
2.5 |
|
Sealing test(MPa) |
0.66 |
1.1 |
1.76 |
2.75 |
|
Strength test(MPa) |
0.9 |
1.5 |
2.4 |
3.75 |
|
Suitable temperature |
carbon steel: -29℃~425℃ Stainless steel: -40℃~650℃ |
|||
|
Applicable medium |
Water, air, natural gas, oil and weakly corrosive fluids |
|||
|
Leakage rate |
GB/ t13927-92 standard |
|||
|
Driving mode |
Worm drive, electric, pneumatic, hydraulic |
|||
D943H Electric Metal Hard Seal Butterfly Valve material of main parts
|
Part name |
material |
|
The body |
WCB,Alloy steel,Stainless steel,QT450-10 |
|
Butterfly plate |
WCB、Alloy steel,Stainless steel,QT450-10 |
|
Valve shaft |
2Cr13Stainless steel,Alloy steel |
|
Sealing ring |
Stainless steel coil |
|
Packing |
Flexible graphite |
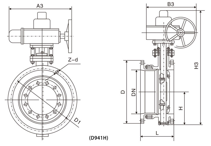
D943H Electric Metal Hard Seal Butterfly Valve main dimensions

|
Nominal diameter(DN) |
Main dimensions |
Flange size and bolt specification |
||||||||||
|
1.0MPa |
1.6MPa |
2.5MPa |
||||||||||
|
L |
H1 |
H |
D |
D1 |
n-Фd |
D |
D1 |
n-Фd |
D |
D1 |
n-Фd |
|
|
50 |
108 |
530 |
112 |
165 |
125 |
4-18 |
165 |
125 |
4-18 |
165 |
125 |
4-18 |
|
65 |
112 |
530 |
115 |
185 |
145 |
4-18 |
185 |
145 |
4-18 |
185 |
145 |
8-18 |
|
80 |
114 |
565 |
120 |
200 |
160 |
4-18 |
200 |
160 |
8-18 |
200 |
160 |
8-18 |
|
100 |
127 |
600 |
138 |
220 |
180 |
8-18 |
220 |
180 |
8-18 |
235 |
190 |
8-22 |
|
125 |
140 |
640 |
164 |
250 |
210 |
8-18 |
250 |
210 |
8-18 |
270 |
220 |
8-26 |
|
150 |
140 |
705 |
175 |
285 |
240 |
8-22 |
285 |
240 |
8-22 |
300 |
250 |
8-26 |
|
200 |
152 |
775 |
200 |
340 |
295 |
8-22 |
340 |
295 |
12-22 |
360 |
310 |
12-26 |
|
250 |
165 |
945 |
243 |
395 |
350 |
12-22 |
405 |
355 |
12-26 |
425 |
370 |
12-30 |
|
300 |
178 |
1070 |
250 |
445 |
400 |
12-22 |
460 |
410 |
12-26 |
485 |
430 |
16-30 |
|
350 |
190 |
1140 |
280 |
505 |
460 |
16-22 |
520 |
470 |
12-26 |
555 |
490 |
16-33 |
|
400 |
216 |
1210 |
305 |
565 |
515 |
16-26 |
580 |
525 |
16-26 |
620 |
550 |
16-36 |
|
450 |
222 |
1335 |
350 |
615 |
565 |
20-26 |
640 |
585 |
16-30 |
670 |
600 |
20-36 |
|
500 |
229 |
1415 |
380 |
670 |
620 |
20-26 |
715 |
650 |
20-30 |
730 |
660 |
20-36 |
|
600 |
267 |
1605 |
445 |
780 |
725 |
20-30 |
840 |
770 |
20-33 |
845 |
770 |
20-39 |
|
700 |
292 |
1844 |
480 |
895 |
840 |
24-30 |
910 |
840 |
24-36 |
960 |
875 |
24-42 |
|
800 |
318 |
2040 |
530 |
1015 |
950 |
24-33 |
1025 |
950 |
24-39 |
1085 |
990 |
24-48 |
|
900 |
330 |
2255 |
580 |
1115 |
1050 |
28-33 |
1125 |
1050 |
28-39 |
1185 |
1090 |
28-48 |
|
1000 |
410 |
2380 |
650 |
1230 |
1160 |
28-36 |
1255 |
1170 |
28-42 |
1320 |
1210 |
28-56 |
|
1200 |
470 |
2640 |
760 |
1455 |
1380 |
32-39 |
1485 |
1390 |
32-48 |
1530 |
1420 |
32-56 |
|
1400 |
530 |
2886 |
850 |
1675 |
1590 |
36-42 |
1685 |
1590 |
36-48 |
1755 |
1640 |
36-62 |
|
1600 |
600 |
3156 |
1030 |
1915 |
1820 |
40-48 |
1930 |
1820 |
40-56 |
1975 |
1860 |
40-62 |
|
1800 |
670 |
3421 |
1230 |
2115 |
2020 |
44-48 |
2130 |
2020 |
44-56 |
2195 |
2070 |
44-70 |
|
2000 |
760 |
3685 |
1350 |
2325 |
2230 |
48-48 |
2345 |
2230 |
48-62 |
2425 |
2300 |
48-70 |
Reminder:
All text, data and pictures in this article are for reference only.To see more details of the D943H Electric Metal Hard Seal Butterfly Valve performance parameters, structural dimension parameters, pricing, etc., or to request high quality printing samples, please Contact us.