D941W Electric Ventilation Butterfly Valve
Product overview
Nominal pressure: PN0.05-0.6MPa
Nominal diameter: DN300 ~ 4000mm
Drive mode: pneumatic, electric
Applicable medium: hot and cold air, flue gas
Design standard: GB/T12238-1989 JB/T8692-1998
Flange connection size: GB/T9115.1-2000
Structure length: GB/T12221-1989
Pressure test: GB/T13927-1992;JB/T9092-1999
D941W Electric Ventilation Butterfly Valve produced and sold by Baigang Valve Group is mainly used in the cold air or hot air gas pipeline containing dust in the ventilation and environmental protection engineering in metallurgy, chemical industry, building materials, power station, glass and other industries, as the gas medium to regulate the flow or cut off device.
D941W Electric Ventilation Butterfly Valve Characteristic:
1. It is designed and manufactured by welding the new structure of the midline plate and the short structure steel plate. It has the advantages of compact structure, light weight, easy installation, small flow resistance, large flow flux, and easy operation to avoid the influence of high temperature expansion.
2, long service life, can be multi-station installation, not affected by the flow of media.
D941W Electric Ventilation Butterfly Valve Structural features:
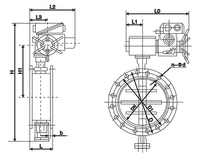
D941W Electric Ventilation Butterfly Valve main dimensions

|
DN |
D |
D1 |
L |
L1 |
L2 |
n-Фd |
b |
|
300 |
405 |
370 |
120 |
716 |
220 |
8-12 |
10 |
|
350 |
455 |
420 |
140 |
786 |
240 |
8-14 |
10 |
|
400 |
505 |
470 |
140 |
924 |
270 |
12-18 |
10 |
|
450 |
570 |
530 |
160 |
999 |
295 |
12-18 |
10 |
|
500 |
620 |
580 |
160 |
1079 |
325 |
12-18 |
10 |
|
600 |
720 |
680 |
180 |
1140 |
380 |
16-18 |
12 |
|
700 |
820 |
780 |
180 |
1240 |
430 |
16-18 |
12 |
|
800 |
920 |
880 |
200 |
1344 |
490 |
16-18 |
12 |
|
900 |
1040 |
990 |
200 |
1444 |
540 |
16-18 |
14 |
|
1000 |
1140 |
1090 |
220 |
1544 |
590 |
20-18 |
14 |
|
1100 |
1240 |
1190 |
220 |
1644 |
640 |
20-18 |
14 |
|
1200 |
1340 |
1290 |
240 |
1744 |
690 |
20-18 |
14 |
|
1300 |
1440 |
1390 |
240 |
1864 |
760 |
20-18 |
16 |
|
1400 |
1540 |
1490 |
260 |
2020 |
810 |
24-18 |
16 |
|
1500 |
1640 |
1590 |
260 |
2120 |
860 |
24-18 |
16 |
|
1600 |
1740 |
1690 |
280 |
2240 |
980 |
24-18 |
16 |
|
1700 |
1840 |
1790 |
280 |
2340 |
1030 |
28-22 |
16 |
|
1800 |
1940 |
1890 |
300 |
2440 |
1096 |
28-22 |
16 |
|
1900 |
2040 |
1990 |
300 |
2540 |
1146 |
32-22 |
16 |
|
2000 |
2150 |
2090 |
320 |
2640 |
1196 |
32-26 |
16 |
|
2200 |
2360 |
2300 |
340 |
3252 |
1296 |
36-26 |
16 |
|
2400 |
2560 |
2500 |
360 |
3452 |
1396 |
36-26 |
18 |
|
2600 |
2760 |
2700 |
380 |
3652 |
1496 |
40-26 |
18 |
|
2800 |
2960 |
2900 |
400 |
3852 |
1596 |
40-26 |
18 |
|
3000 |
3190 |
3110 |
400 |
3896 |
1698 |
44-30 |
18 |
|
3200 |
3390 |
3310 |
440 |
4110 |
1798 |
44-30 |
20 |
|
3400 |
3590 |
3510 |
440 |
4396 |
1898 |
48-30 |
20 |
|
3600 |
3790 |
3710 |
480 |
4636 |
1998 |
48-30 |
20 |
|
3800 |
4000 |
3910 |
480 |
4886 |
2098 |
52-30 |
22 |
|
4000 |
4210 |
4120 |
520 |
5160 |
2210 |
52-30 |
22 |
Reminder:
All text, data and pictures in this article are for reference only.To see more details of the D941W Electric Ventilation Butterfly Valve performance parameters, structural dimension parameters, pricing, etc., or to request high quality printing samples, please Contact us.