D671X Pneumatic UPVC Butterfly Valve
Product overview
Product model: D671X-10U
Nominal diameter: DN50 ~ 300mm
Nominal pressure: PN1.0 ~ 1.6MPa
Applicable temperature: 0 ~ +60℃
Body material: UPVC, CPVC, PP
Drive mode: handle worm drive, electric, pneumatic, hydraulic
Manufacturing standard: GB/T 122387-89
Flange standard: GB9113-2000, GB17241.6-1998
Structure length standard: GB12221-89
Inspection standard: GB/T 13927-92
D671X-10U Pneumatic UPVC Butterfly Valve overview
D671X-10U Pneumatic UPVC Butterfly Valve main parameters
| Air driven | Compressed air 4-6bar (with handwheel) |
| Nominal diameter | 50 ~ 300mm |
| Nominal pressure | 1.0 ~ 1.6Mpa |
| proper temperature | 0 ~ + 60 ℃ |
| Connection method | On the folder |
| Valve structure | A type |
| Body material | UPVC, CPVC, PP |
| Spool material | UPVC, CPVC, PP, PTFE |
| Sealing material | FPM, EPDM, NBR |
| Suitable media | PVC compatible food industrial chemical solvents |
| Optional accessories | Limit switch, positioner, solenoid valve, pressure reducing valve |
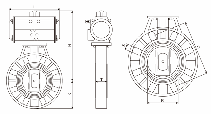
D671X-10U Pneumatic UPVC Butterfly Valve main dimensions

| Path (mm) | inch" | Size (mm) | |||||||||
| L | D1 | D2-ANSI | D2-JIS | D2-DIN | D3 | H | N-φm-ANSI | N-φm-JSI | N-φm-DIN | ||
| 50 | 2 | 43 | 56.5 | 120.39 | 120 | 125 | 165 | 103 | 4-19 | 4-19 | 4-18 |
| 65 | 2 1/2 | 47.5 | 70 | 139.44 | 140 | 145 | 185 | 113 | 4-19 | 4-19 | 4-18 |
| 80 | 3 | 47.5 | 79 | 152.4 | 150 | 160 | 201 | 115 | 4-19 | 4-19 | 4-18 |
| 100 | 4 | 57.2 | 103 | 190.5 | 175 | 180 | 229 | 135 | 8-19 | 8-19 | 8-18 |
| 125 | 5 | 66 | 130 | 216 | 210 | 210 | 257 | 165 | 8-22 | 8-23 | 8-18 |
| 150 | 6 | 74 | 151 | 241.55 | 240 | 240 | 285 | 177 | 8-22 | 8-23 | 8-23 |
| 200 | 8 | 87.5 | 200 | 298.5 | 290 | 295 | 343 | 210 | 8-22 | 8-23 | 8-23 |
| 250 | 10 | 110 | 255 | 362 | 355 | 350 | 411 | 240 | 12-25 | 12-25 | 12-23 |
| 300 | 12 | 129 | 311 | 432 | 400 | 400 | 490 | 297 | 12-25 | 12-25 | 12-23 |
Reminder:
All text, data and pictures in this article are for reference only.To see more details of the D671X Pneumatic UPVC Butterfly Valve performance parameters, structural dimension parameters, pricing, etc., or to request high quality printing samples, please Contact us.