TYFZ Pressure Regulating Valve Group
Product overview
Product model: TYFZ
Applicable blast furnace: 100~2500M3
Applicable temperature: ≤350℃
Nominal diameter: 1375~2930
Applicable medium: air, gas and other gases
TYFZ Pressure Regulating Valve Group main part material
| Part Name | Body | Valve plate | Valve stem | Connection barrel | Size flange | Gasket |
| material | Carbon steel | Carbon steel | alloy steel | Carbon steel | Carbon steel | Asbestos rubber |
TYFZ Pressure Regulating Valve Group technical performance
| Valve set model | Medium temperature ℃ | Medium pressure MPa | Media flow m3 / h | Valve corner | Remarks |
| TYFZ-10 | ≤350 | -0.05 | -30000 | 0-90 ° | - |
| TYFZ-30 | " | -0.07 | 48000-58000 | 0-90 ° | - |
| TYFZ-38 | " | -0.07 | 68000-85000 | 0-90 ° | - |
| TYFZ-65 | " | -0.1 | 111000-130000 | 0-90 ° | - |
| TYFZ-75 | " | -0.15 | 137000-157000 | 0-90 ° | - |
| TYFZ-90 | " | -0.2 | 170000 | 0-90 ° | - |
| TYFZ-100 | " | -0.2 | 187000 | 0-90 ° | - |
| TYFZ-125 | " | -0.25 | 205000 | 0-90 ° | - |
| TYFZ-135 | " | -0.25 | 250500 | 0-90 ° | - |
TYFZ Pressure Regulating Valve Group performance parameters of electric device
| DN | Electric actuator | Power voltage, input signal current | One-way (90 °) opening and closing time | |
| model | Output torque | |||
| 250 | DKJ-210 or DKJ-210Q | 100N.m | DDZ-II type 0-10mA DDZ III type 4-20mA 220V.AC | 25 |
| 300 | 25 | |||
| 350 | DKJ-310 or DKJ-310Q | 250N.m | ||
| 400 | 25 | |||
| 450 | ||||
| 600 | DKJ-410 or DKJ-410Q | 600N.m | 25 | |
| 700 | ||||
| 800 | DKJ-510 or DKJ-510Q | 1600N.m | ||
| 900 | 25 | |||
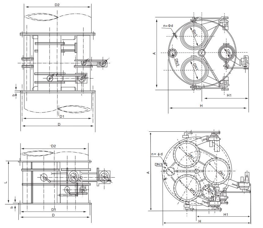
TYFZ Pressure Regulating Valve Group main shape and size of the connection table

| model | D | D1 | L | b | n-Φd | A | A1 | Η | H1 | Valve preparation | Allowable traffic (m3 / h) | Weight (kg) | Corresponding to the pipeline |
| TYFZ-25 | 1990 | 1930 | 1000 | 30 | 44-Φ30 | 3600 | 1800 | 2150 | 1150 |
600x2 + 300x1 + 150 |
55000-65000 | 2800 | 1200 |
| TYFZ-30 | 1990 | 1930 | 1000 | 30 | 44-Φ30 | 3600 | 1800 | 2150 | 1150 |
700x2 + 300x1-150 |
65000-77000 | 3200 | 1300 |
| TYFZ-40 | 1990 | 1930 | 1000 | 30 | 44-Φ30 | 3600 | 1800 | 2250 | 1250 |
700 χ 1 + 800 χ 1 + 350 χ + 150 |
77000-91000 | 3400 | 1400 |
| TYFZ-50 | 2190 | 2130 | 1200 | 30 | 48-Φ30 | 3800 | 1900 | 2600 | 1500 |
800x2 + 400x1 + 200 |
91000-105000 | 3700 | 1500 |
| TYFZ-60 | 2305 | 2240 | 1200 | 30 | 48-Φ30 | 4000 | 2000 | 2800 | 1600 |
800 χ 1 + 900 χ 1 + 400 χ 1 +200 |
105000-120000 | 4900 | 1600 |
| TYFZ-65 | 2190 | 2130 | 1200 | 30 | 48-Φ30 | 4000 | 2000 | 2800 | 1600 |
700x3 + 350x1 + 200 |
111000-130000 | 5000 | 1700 |
| TYFZ-75 | 2305 | 2240 | 1200 | 30 | 48-Φ33 | 4000 | 2000 | 2800 | 1600 |
900x2 + 500x1 + 200 |
120000-150000 | 5300 | 1800 |
| TYFZ-90 | 2405 | 2340 | 1200 | 30 | 52-Φ 33 | 4000 | 2000 | 2550 | 1350 |
800x3 + 400x1 + 250 |
137000-170000 | 6700 | 1900 |
| TYFZ-100 | 2605 | 2540 | 1200 | 30 | 56-Φ33 | 4200 | 2100 | 3000 | 1700 |
1000x2 + 500x1 + 200 |
150000-190000 | 7000 | 2000 |
Reminder:
All text, data and pictures in this article are for reference only.To see more details of the TYFZ Pressure Regulating Valve Group performance parameters, structural dimension parameters, pricing, etc., or to request high quality printing samples, please Contact us.