F343X Manual Blind Valve
Product overview
Product model: F343X
Nominal diameter: DN200~2000mm
Nominal pressure: PN0.05~0.25MPa
Applicable temperature: < 300℃
Applicable medium: gas and other poisonous, harmful, flammable gases
Drive mode: electric, hydraulic, pneumatic, electro-hydraulic
Body material: carbon steel, rubber, chrome steel
Design standard: API 600, API6D, ASME B16.34, GB/T 12234
Structure length: ASME B16.10, API6D, GB/T 12221
Connection standard: ASME B16.5, ASME B16.47, GB/T 9113, JB/T 79, HG/T 20592
Pressure test: API 598, GB/T 13927, JB/T 9092
Pressure-temperature rating: ASME B16.34, GB/T 12224
F343X Manual Blind Valve product features
F343X Manual Blind Valve produced and sold by Baigang valve group , also known as manual glasses valve, flap valve, fan valve, for the long series of structures, in the right valve body with a retractor for longer pipeline (Note: not as compensator of the pipeline) , You can compensate for the valve opening and closing process of the axial displacement of the valve body, reducing the valve opening and closing torque. According to the characteristics of large-caliber valves, the valve body is designed into a triangular structure to enhance the overall rigidity of the valve. Rubber seals were installed on the left and right valve body.
F343X Manual Blind Valve main performance indicators
| Nominal pressure MPa | 0.25 | 0.15 | 0.10 | 0.05 |
| Seal test pressure MPa | 0.275 | 0.165 | 0.11 | 0.055 |
| Strength test pressure MPa | 0.40 | 0.225 | 0.15 | 0.075 |
| Applicable temperature ℃ | Nitrile rubber | Silicone Rubber | fluororubber | |
| <120 | <250 | <300 | ||
| Suitable media | Gas and other toxic, harmful, flammable gas | |||
| Standard | Connection flange size in line with JB / T81-94 standards, testing methods in line with GB / T13927-92 standards | |||
| The main components of the material | Valve body, the gate for the carbon steel; connecting shaft, expansion carbon steel or stainless steel; ring for the rubber | |||
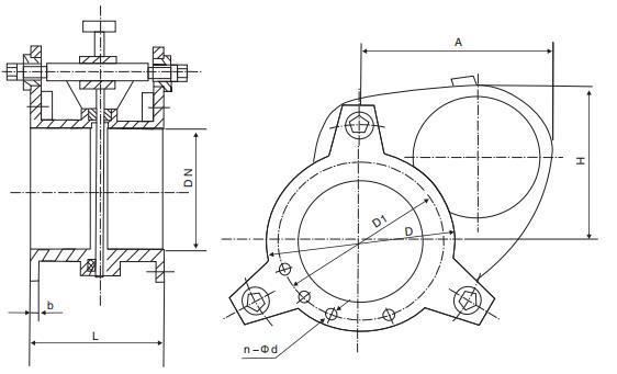
F343X Manual Blind Valve main connection size:

| DN | D | D1 | b | n-φd | L |
| 300 | 440 | 395 | 22 | 12-φ22 | 500 |
| 350 | 490 | 445 | 22 | 12-φ22 | 500 |
| 400 | 540 | 495 | 22 | 16-φ22 | 600 |
| 450 | 595 | 550 | 24 | 16-φ22 | 600 |
| 500 | 645 | 600 | 24 | 16-φ22 | 600 |
| 600 | 755 | 705 | 24 | 20-φ26 | 600 |
| 700 | 860 | 810 | 26 | 24-φ26 | 800 |
| 800 | 975 | 920 | 26 | 24-φ30 | 800 |
| 900 | 1075 | 1020 | 28 | 24-φ30 | 800 |
| 1000 | 1175 | 1120 | 30 | 28-φ30 | 800 |
| 1100 | 1275 | 1220 | 30 | 28-φ30 | 800 |
| 1200 | 1375 | 1320 | 30 | 32-φ30 | 800 |
| 1300 | 1475 | 1420 | 32 | 32-φ30 | 800 |
| 1400 | 1575 | 1520 | 32 | 36-φ30 | 850 |
| 1500 | 1675 | 1620 | 32 | 36-φ30 | 850 |
| 1600 | 1790 | 1730 | 32 | 40-φ30 | 850 |
| 1800 | 1990 | 1930 | 32 | 44-φ30 | 1100 |
| 2000 | 2190 | 2130 | 32 | 46-φ30 | 1100 |
Reminder:
All text, data and pictures in this article are for reference only.To see more details of the F343X Manual Blind Valve performance parameters, structural dimension parameters, pricing, etc., or to request high quality printing samples, please Contact us.